Kallioinen Hydropower Plant

Kallioinen is a small hydropower plant located in River Ontojoki that flows from the eastern border of Finland towards Lake Oulujärvi. The power plant was built by Kajaani Inc. between 1955 and 1957 and was designed by architect Eino Pitkänen (1904-1955). After Pitkänen passed away in 1955, engineer Jaakko Asikainen finished his work staying true to Pitkänen’s vision. Eino Pitkänen was one of Kainuu region’s most important modernist architects and was known for his functionalist works.
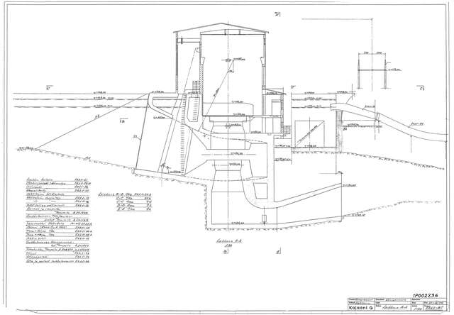
The power house of Kallioinen has an on-site casted concrete frame with plastered brick façades and a gable roof. The architecture can be described as a rural application of Functionalism with certain classicist and regionalist undertones. The simple cube-like mass of the power house is placed at the centre of the plan, in between the log crane and the switchyard. The elongated concrete structure of the log crane is the most conspicuous element of the facility. The power plant has one turbine and it produces 13,5 megawatts of power. Kallioinen is classified as a Nationally significant built cultural environment (RKY).
Pitkänen also designed the small residential area for the power plant’s workers. The area, located in the waterfront, has four wooden single-family type houses.
Text: Samuli Paitsola
Location
Kallioisentie, Sotkamo
Get directionsGallery























